Being a servant to others
Story by Dr. D. Wayne Hollar Jr.
Photos by Creative Images Photography
For more on this topic, go to www.dentaleconomics.com and search using the following key words: Dr. D. Wayne Hollar, servant, Golden Rule, Zig Ziglar, cancer detection.
Dr. D. Wayne Hollar is a 1993 graduate of the University of North Carolina School of Dentistry.Dr. Hollar’s business philosophy and keys to success are quite basic. Be a servant to others and follow the Golden Rule — “Do unto others as you would have them do unto you.”
He agrees with the words and business advice of author and motivational speaker Zig Ziglar when he says, “You can get everything in life that you want, if you help enough other people get what they want.” In addition, his dental practice is likened to the game of tennis — you can never win unless you serve.
All of this “basic training” began at an early age. Dr. Hollar was raised and molded by God–fearing parents in Lenoir, N.C. A recipient of the Eagle Scout Award and the Vigil Honor of the Order of the Arrow, he continues to be active in the Boy Scouts. He tries to live by the motto of “leaving things better than you found them.”
So, how does this fit into today’s business world?
According to Dr. Hollar, “Great. I enjoy being around people and take seriously the needs of all patients who entrust me to care for one of the most valuable assets they have … their teeth. With the help of my business coach, I have been able to select an excellent staff that shares this vision and is dedicated minute by minute to the comfort and treatment of patients. Each staff member must be able to read smiles, faces, and body language when someone is uncomfortable or unhappy in any situation, and be able to respond with an answer or solution. They do this very well.”
On the subject of business coach, one of the highlights of my career was recognizing that I could not and did not have the time to do all of the jobs in a dental practice. As any dentist knows, the clinical part of the profession is very important, but the list of duties and responsibilities does not end there. A dentist must be a plumber, electrician, OSHA inspector, computer programmer, radiation examiner, HR specialist, and many other titles to solve the minute–by–minute challenges that may be present.
I realized that I could not practice dentistry at my level of expectation and wear all these other hats. I approached a long–time friend — Jamie Parsons of Parsons and Associates — a successful businessman, strategist, and coach who agreed to help me with the load. Now I focus on the clinical aspects of the practice. He has the oversight of staffing, patient relations, facilities, marketing, and community relations.
But the key is finding someone the doctor trusts and who has been successful in business. The coach must also have a shared vision with the doctor and be accessible in person and not just by phone or e–mail. I could not have done this without my coach. I highly recommend using the services of one who is competent and proven.
Once I gained the trust and confidence of patients and the clinical abilities, I needed the facilities and technological tools to deliver the goods. My renovation story really started shortly after graduation from dental school back when I began a practice in my hometown of Lenoir.
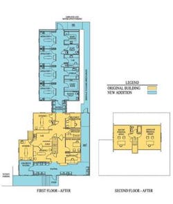
I purchased a small, two–bedroom house in a high–traffic intersection and did some basic remodeling. Through the years, the practice outgrew the facility, scheduling was too far out for my comfort, and I needed to make a decision about whether to relocate to a larger facility or make additions and improvements to the current one. After a year of planning, designing, and pricing, I decided to remodel and add on to the current location.
I had been told that remodeling was much more expensive than building new, but my findings were just the opposite. Jamie and I designed the facility. We found the right creative contractor, Bill Chester, who knew how to blend the old with the new to maximize interior and exterior esthetics.
With plans and contractor in place, we pulled the trigger on the remodeling. Building additions included a new wing with a separate waiting area just for kids, four new operatories for quick set–up and flexibility to accommodate emergency patients, and a fully equipped sedation suite to deliver intravenous and oral sedation.
The decision to keep the office open while it underwent construction created some difficulties. Some days were trying with noise, slow construction, and delays. But this gave us time to modify and create as we proceeded and not break the bank in the process.
With the physical building completed, it was time to add the equipment and technology. Like many colleagues, I have always been intrigued by technology, and I incorporated the latest gadgets, cameras, and computers. What a privilege it is to have television monitors over every chair, and a loupe–mounted Surgi–Tel SurgiCam digital video so my assistant can observe on the monitor and anticipate my needs. This allows us to communicate visually with patients.
Switching from intraoral images to office–wide images, I also installed video cameras throughout the office to track location of staff, patients, vendors, and visitors. Clinically, other high–tech additions included a Soredex Cranex Novus digital pan that delivers great images, a VELscope cancer detection device that has saved at least one life so far, Welch–Allyn Atlas monitors (pulse ox, NIBP, temp, EKG, EtCO2), and Dentrix G4 practice–management software. Dentrix replaced our outdated software with features and speed more tailored to my practice’s needs.
Not only did I add space and equipment but also some new services. Probably the most important of these services is sedation. Many times patients who need treatment the most can afford it the least, and fear it the most.
To help reach some of the more than 50% of the population who does not seek needed dental care, I added intravenous and oral sedation. These services are intended as an adjunct treatment to address patient anxieties. But again, I view them as a service, not a profit center. After all, profits are a result of excellent service.
New wing with four new operatories: All are identically equipped so moving from room to room is seamless. There is no waiting for an open room, and patients can be seated faster, thus making the wait time in reception minimal. The time to clean and recycle the rooms is much faster. This results in less doctor downtime.
Children’s waiting room: As a parent of two children, I know that adults and kids like their own space. Positive dental experiences for patients should start early to prevent trying to pick up the pieces later. Believing that kids should enjoy coming to the dentist and not just tolerate it, I knew if I were going to make this a reality I had to do things differently with children. Kids really enjoy the new private, glass–enclosed waiting room with books, games, chairs, and television channels just for them.
Dentrix software: After 16 years, it was time to replace our old software. We needed a product that could be tailored to our practice with reports that were more–specific to our needs. We replaced our Softdent with Dentrix and have been most pleased with the results.
Twelve flat–screen TVs: Good communication is the key to success. We installed flat screens over all operatory and hygiene chairs. This is a proven tool to communicate visually the treatment plan to the patient. It helps get the patient, staff, and dentist on the same side of the problem. What a valuable asset this has become. The other screens throughout the practice are used for marketing, product awareness, and entertainment.
VELscope cancer detection: Dentists are aware of how equipment purchased should yield a return on investment. But not all returns are in monetary form. Early detection of mouth cancers has proven to save lives. For example, a recent patient’s experience using VELscope prompted a further surgical biopsy. The biopsy revealed cancer after a previous brush biopsy had returned a negative result in the same area.
Soredex Cranex Novus digital pan: After years of using film–based panoramic imaging, it is such a pleasure to have the Soredex Cranex Novus digital pan. This has streamlined the X–ray process and dramatically improved image quality and subsequent patient care.
Loupe–mounted SurgiTel SurgiCam digital video: Several years ago, I purchased a Dexcam Sopro handheld intraoral camera, which I enjoyed and found advantageous. Although valuable, it was cumbersome to carry to multiple operatories, keep fog–free, position, and focus.
I recently purchased the SurgiCam and had the camera mounted on SurgiTel 4.5X ErgoVISION HD telescopes. So, where my eyes are focused is where the video is streaming. What a valuable tool it is. I have always thought that it was a disadvantage to the assistant not to be able to view what I was seeing in the patient’s mouth from my angle. This camera solves the problem. Now my assistants can see the operative field at three times magnification and can anticipate the next step.
In addition, they can see a fogged mirror or detect line–of–sight obstructions and more efficiently position evacuation tips. I thought I was purchasing the SurgiCam for my assistants’ and my benefit. Little did I know that the advantage of simultaneously being able to show and discuss issues with the patients would prove even more valuable.
Our vision: Now we are ready to move to the next level and secure associates who share this dream. It is our vision to build additional wings for oral surgery, orthodontics, endodontics, and periodontics. When the right associates to fit these areas are located, I will consider more building expansion.
Observation and discovery: We are enjoying our new facility and equipment. But as I stated, these would never bring a return on investment without the dedication of the staff and the trust and confidence of our patients. My thanks to our patients, my dedicated staff, suppliers, technicians, computer support — and most of all — the Lord for making this dream a reality. I never thought I could have the luxury of this new facility or equipment. I am very thankful.
Summary: I would choose the dental profession again, hire a coach, and choose to remodel my facility. I will continue to purchase any equipment that will assist in exceeding the expectations of my patients. What does all of this mean to me? Better treatment, more efficient delivery, and happier patients, resulting in financial security.
614 Hospital Ave. NW
Lenoir, NC 28645
Phone: (828) 754–6251
General, cosmetic dentistry
[email protected]
Web site: www.drwaynehollar.com







